随着设计需求越来越具有挑战性,尤其是在数据中心和AI等低电压、大电流应用领域,电压调节器(VRS)的性能改进非常重要。一种可能的性能改进是使用耦合电感,但最近业界提出了一种类似的方法,那就是跨电感电压调节器(TLVR)。TLVR的原理图来自耦合电感模型,但物理行为不同。事实上,耦合电感的简单模型通常是可以轻松用于仿真以实现正确波形的东西,但它与实际物理行为并不对应。另一方面,TLVR几乎是由原理图所示的元件构建,因此在这种情况下,仿真模型更接近实际系统的物理行为。本文重点讨论TLVR的瞬态行为,它会影响TLVR设计本身的隔离要求,以及整个母板的隔离和安全考量。
多相降压调节器使用来自的TLVR原理图,如图1所示。虽然主电感绕组仍然连接在相位和VO的开关节点之间,但添加的辅助绕组彼此串联电连接,并连接到调谐电感LC。若移除LC,电路就又回到降压转换器中只有分立(未耦合)电感的情况。若LC输出短路,则各相之间的关联度最强,瞬变性能也最快,但这也会影响电流波形和电流纹波的一般幅度。实际上,LC通常是这两种极端情况的折衷选择。
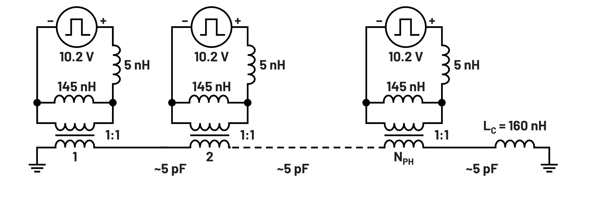
图1. TLVR原理图与任何多相降压转换器一样,当快速瞬变负载阶跃到达时,输出电压的变化导致反馈作出反应,相应地调整电压和电流。对于TLVR,一个潜在问题是所有辅助绕组都是串联连接,与主绕组的变压器匝数比通常是1:1。TLVR主绕组上有以开关频率施加的方波,理想情况下不同相位之间存在时间上的相移。但在瞬变期间,这些相位通常会对齐以提高性能。
考虑一个12V转1.8V应用中的激进地负载瞬态,所有相位中的所有高端FET都导通以使电感电流尽可能快速地上升,因此(VIN – VO) = 10.2V电压同时应用于所有主绕组,如图2所示。实际波形将取决于电路参数,但在最坏情况下,1:1变压器会在其副边生成10.2V电压,因此副边的电压脉冲将是(VIN – VO) × NPH。这显然是一个安全担忧。图2对于150nH值的TLVR给出了实际值,主绕组和辅助绕组之间的小型漏电感测量值为5nH。图中还显示了LC值为160nH。此LS值在NPH~6的典型范围内,但可以调整,特别是针对不同数量的关联相位。
图2. TLVR = 150nH的等效原理图,最坏情况下的加载瞬态










