本文讨论如何在单端初级电感转换器拓扑结构中构建耦合电感模型。文章介绍了构建正确模型的方法,并提供了公式。如果未正确构建耦合电感模型,仿真结果可能与基准结果存在显著差异。
引言
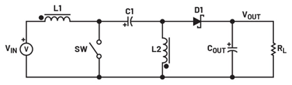
单端初级电感转换器拓扑结构允许输入高于、等于或低于目标输出电压(图1)。公式1显示了连续导通模式(CCM)下转换率与占空比的函数关系。

在SEPIC 转换器中,输入和输出之间不存在直流路径。对于需要在电路关断时将输出与输入源断开的应用,这比升压转换器更具优势。与反激式转换器相比,SEPIC转换器的优势在于,功率MOSFET和输出二极管电压均被电容(C1和COUT)箝位,因此功率MOSFET和输出二极管上的电压振铃较小。SEPIC转换器所需的输入电容比反激式转换器要小得多。这是因为在SEPIC转换器中,电感L1与输入串联,流过输入的纹波电流是连续的。
图1.SEPIC转换器。 给定工作输入电压范围,并选择了电感中的工作频率和纹波电流后,可使用公式2来确定SEPIC转换器的电感值(L1和L2不相关)。

对于大多数SEPIC应用,电感值将在1 µH至100 µH的范围内。
通过使L1 = L2,并将它们卷绕在同一磁芯上,由于公式3所示的互感,公式2中的电感值将被2L取代。

使用耦合电感可以减少所需的分立元件数量并显著降低控制电路的复杂性,从而简化SEPIC转换器的设计。由此可以节省成本、缩小尺寸并显著降低小信号模型的复杂性,通过消除公式4中计算的SEPIC谐振来实现更高的带宽。

虽然耦合电感的性能更出色,但 LTspice® 中的仿真电感电流波形并不总是与基准结果匹配。这主要是由于耦合电感模型不准确造成的。
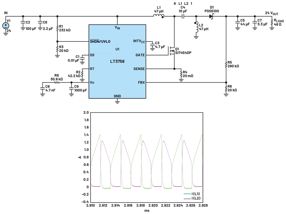
在LTspice中仿真耦合电感时,必须仔细留意耦合电感的模型。例如,在没有添加相关泄漏电感的情况下,不要在仿真中将K设置为1。否则,仿真电感电流将变得不连续,如图2所示。

图2. LT3758 SEPIC (K = 1)及其仿真电流波形。
耦合电感建模
为了正确构建耦合电感模型,如果K设置为1,则必须明确添加泄漏电感。此外,由于卷绕结构不同,两个励磁电感也可能不同。图3显示了一个耦合电感模型,由于电感供应商通常不提供所需的值,因此需要进行基准测试才能获得相应的数值。
图3.耦合电感模型。
根据测量的数据计算这些参数,如公式5所示。
L11是次级开路时测得的初级自感,L22是初级开路时测得的次级自感,L1K11是次级短路时测得的初级电感,L1K22是初级短路时测得的次级电感。
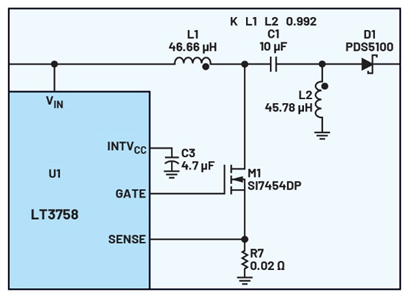
在本示例中,测得的L11为46.66 µH,L22为45.78 µH,L1K11为0.725 µH,L1K22为0.709 µH。因此,计算得出n12为1.011,L12为46.374 µH,L1K1为0.286 µH,L1K2为0.429 µH。完整的耦合电感模型如图4所示。
图4.完整的耦合电感模型。 仿真结果与基准结果十分匹配。参见图5。

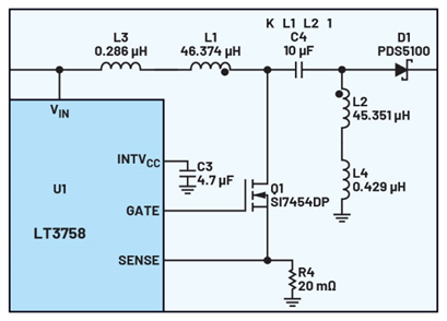
在本示例中,测得的L11为46.66 µH,L22为45.78 µH,L1K11为0.725 µH。计算得出Lm为45.857 µH。计算得出K为0.992。
基于图8模型的仿真结果也与该电感模型的基准结果非常匹配。
图5.基准结果与仿真结果。 构建耦合电感模型的另一种方法是使用非单位耦合因子。在这种情况下,不需要明确指定泄漏电感,如图6所示。
图6.带有非单位K的耦合电感模型。 为收集计算K所需的信息,对耦合电感进行了相同的基准测试。带有双端口参数的公式如图7所示。
图7.等效电路及其公式。
图8.带有非单位K的完整耦合电感模型。从LTspice仿真或基准测试中,有时会获得并不理想的电感电流波形,令电源设计人员感到困惑。通过采用适当的耦合电感模型,仿真电感电流波形与基准结果非常匹配。
Robert W. Erickson和Dragan Maksimović,《Fundamentals of Power Electronics》第二版,Kluwer,2001年1月。
<!-- 非定向300*250按钮 17/09 wenjing begin -->
<!-- 非定向300*250按钮 end -->
</div>
评论前必须登录!
注册