即使在汽车中,基本的逻辑功能依然是必需的


提及对基础逻辑门集成电路的需求,仿佛是布尔逻辑入门教材里的陈年旧事。在如今高度集成化、专用集成电路普及,以及各类可编程设备大行其道的时代,提出需要单独的与门、非门(反相器)这类逻辑门,似乎是一种不合时宜的 “复古” 想法。

德州仪器(TI)的市场与工程团队显然不这么认为,他们推出了两款具备此类逻辑功能的单门集成电路,扩充其 “微型逻辑(Little Logic)” 产品系列。更出人意料的是,其目标市场是汽车应用,因此这些芯片需要通过 AEC-Q100 认证(器件温度等级 1:-40℃至 + 125℃)。

需要注意的是,这些集成电路并非用于上世纪 80 年代 “胶合逻辑(glue logic)” 的传统用途 —— 即连接不同逻辑电平、不同输入输出的大型集成电路,实现信号转换与兼容性适配。

双输入正与门

SN74LVC1G08B-Q1 是一款单通道双输入正与门,采用 5 引脚封装,尺寸仅 1.1×0.85 毫米(原型开发时切勿掉落!),工作电压范围为 1.1 至 5.5 伏。该器件采用标准 CMOS 输入结构,以及 ±32 毫安吸收 / 输出电流规格的平衡 CMOS 推挽输出,内置二极管保护等标准防护设计。

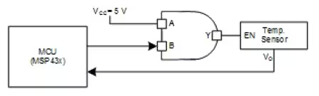
这款简单的逻辑门在汽车电子这类复杂应用中能发挥什么作用?数据手册指出,与门的应用场景之一是电源排序,该功能常用于保护处理器(或其他复杂器件),避免因供电电压未达到标准值而导致设备故障(见图1)。

图 1:SN74LVC1G08B-Q1 单通道双输入正与门在大型系统中可提供微小却关键的功能。图 1:SN74LVC1G08B-Q1 单通道双输入正与门在大型系统中可提供微小却关键的功能。

SN74LVC1G08B-Q1 可用于验证电源轨是否完全导通。尽管部分电源管理集成电路(PMIC)集成了排序功能,但仅为实现这一功能而添加 PMIC,成本和复杂度都远高于采用与门解决方案。

切勿被该逻辑门的简单功能所误导:其 21 页的数据手册包含大量极限值、典型值等参数规范,以及时序细节。同时还提供了输入输出处理的相关指导原则,以避免噪声引发的问题,以及总线竞争、开关瞬态等相关注意事项(即便是独立的逻辑门,也有其复杂之处)。

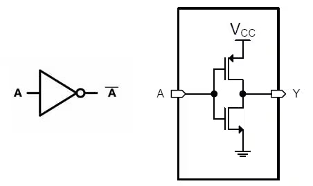
单通道无缓冲 CMOS 反相器

SN74LVC1GU04-Q1 提供了更简单却同样实用的逻辑功能 —— 单通道无缓冲 CMOS 反相器。(见图2)。这款 5 引脚封装(含引脚整体尺寸 2×2.1 毫米)的器件,工作电压范围为 1.65 至 5.5 伏,输入引脚支持 5.5 伏容限。作为数字逻辑元件,其 CMOS 反相器级既可以工作在标准数字开关应用场景,也能工作在模拟线性区域。

图 2:简单的反相器(非门)功能(左)并非只是一个简单的数字开关,该设计还可作为准模拟电路工作(右)。图 2:简单的反相器(非门)功能(左)并非只是一个简单的数字开关,该设计还可作为准模拟电路工作(右)。

尽管主要规格针对数字应用,但无缓冲架构还支持晶振电路、线性放大等模拟应用。无缓冲反相器因总增益低于等效的缓冲反相器,对振荡电路的参数变化更不敏感,因此常用于振荡电路中。

图 3:反相器的作用之一是稳定晶体振荡环路。图 3:反相器的作用之一是稳定晶体振荡环路。

与同系列的与门一样,这款反相器也配备了详细的 29 页数据手册,涵盖所有静态、动态性能参数,以及机械设计安装细节。

            <!-- 非定向300*250按钮    17/09  wenjing  begin -->
            <!-- 非定向300*250按钮  end -->
        </div>



Source link

未经允许不得转载:紫竹林-程序员中文网 » 即使在汽车中,基本的逻辑功能依然是必需的
关于我们 免责申明 意见反馈 隐私政策
程序员中文网:公益在线网站,帮助学习者快速成长!
关注微信 技术交流
推荐文章
每天精选资源文章推送
推荐文章
随时随地碎片化学习
推荐文章
发现有趣的